资料:TL431
在电动汽车BMS(电池管理系统)检验中,需要制作105节的串联锂离子电池模拟器,用于测试BMS对每节电池电压的测量准确度,使用6位半电压表的读数与BMS的测量值进行对比,以评估BMS电池电压测量的准确性。要求模拟器:①模拟的每节电压都独立可调,调节范围为2.5~4.5V;②电压稳定度在2mV以内;③输出电流满足BMS测量前端的要求即可,不需要考虑模拟电池的充电功能和均衡功能。
产品图片

TL431中文资料
1.引言
由于电池是串联结构,所以通常的做法是采用105个独立的直流电源,把它们首尾相联地串起来完成,方法有2个:①市电经过隔离式AC-DC得到12V直流,然后给多个隔离式DC-DC(12V转5V)供电,5V电压再经过可调稳压器,得到模拟的电池电压输出,它们首尾串联,如图1所示;②采用多个变压器,每个变压器有多个副边绕组,每个绕组模拟一节电池。副边绕组输出电压经整流、滤波、可调稳压后,其正负输出相串联,如图2所示(图中只画了1个变压器),得到各个模拟值。

图1多个DC-DC串联

图2多个变压器的直流输出串联
图1的工作方式,需要105个隔离式开关DCDC,体积大、成本高,同时DC-DC的噪声在几十毫伏以上,不能满足测量要求。图2的工作方式,需要订做几十个变压器,订做周期长,体积大。为解决上述问题,本文介绍了应用TL431设计制作了一套模拟装置,达到了低成本、高精度模拟的效果。
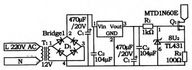
2.模拟器工作原理
本模拟器由工作电源单元、恒流源单元和电池电压模拟单元3部分组成,工作原理如图3所示。图中,SW-SPST表示单刀单掷开关,用以模拟断线故障;T1(Trans)表示电源变压器;WR1、WR2都是可变电阻;Bridge表示二极管整流全桥;FUSE表示熔断器。变压器T1的输出电压经整流滤波后产生直流高压,各路TL431电路相串联,调整每路的多圈电位器即可改变相应的电压输出(输出范围:2.5~4.5V),同时可使之稳定在0.2mV以内。这里TL431相当于一个可调基准源,稳压管用来保护TL431。25mA恒流源与模拟的电池串联,为之提供工作电流。由于TL431的维持电流最大将近100mA,所以图3中的恒流源可以选择为25mA。

图3模拟器原理图
针对电动汽车BMS测试具体需求,本文作者在电池电压模拟部分的设计采用了基于应用TL431的方案。
3.恒流源设计
模拟器中用恒流源给TL431提供恒定的工作电流,以避免电源波动对输出精度的影响。本设计中的恒流源主要有2个作用。
(1)“吸收”220V交流电压的波动。由于电源电压有+10%~-15%的波动,TL431也在变动,所以在恒流源上要承受将近几百伏的波动而仍要保持回路电流恒定。如果不用恒流源而按照通常加限流电阻的方法,限流电阻上的电流会在很大的范围里波动,电阻的阻值甚至无法选择,而实际上固定电阻不能满足要求。
(2)提高稳压精度。TL431的典型内阻是0.2Ω,所以10mA的电流波动就会引起2mV的电压波动,所以不使用恒流源就不能满足电压稳定度的要求。

图4恒流源电路图
恒流源电路使用TL431及耐压在400V以上的功率管来完成,原理如图4所示。图中晶体管使用NMOS管(1N60),Rs=100Ω(金属膜),电流值=2500/Rs(mA),改变Rs可以调整恒流电流值。恒流源电路板如图5所示。

图5恒流源电路板
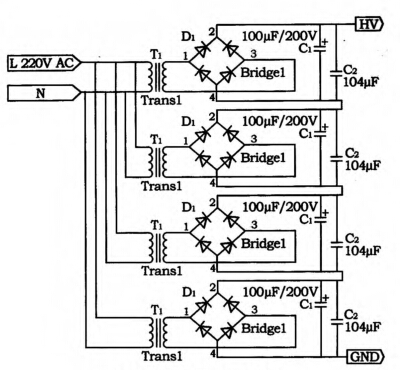
4.变压器选择及其接线
模拟器中电源部分的变压器T1(见图3)的额定功率可选择20~30W,考虑到220V单相供电的电压允许偏差为额定电压的+7%、-10%,变压器的交流输出电压Ux可按下式估算:
.jpg)
式中:0.90——220V供电交流电压下限系数;1.3——交流有效值电压整流成直流电压的全桥整流系数;Ub——锂电池的最高电压;N——电池节数;Us——恒流源正常工作的最小压降。
若Ub为4.5V,N为105,Us为15V,代入(1)式得Ux=417V。

图6直流高压产生电路图
可是,这种规格的变压器市场上不容易买到,需要订做。市场上容易买到的是额定电压为110V的变压器,我们可采用几个此种变压器,将其副边AC110V经整流、滤波后得到150V直流,再将4个这样的直流输出串联,即可得到想要的直流高压,如图6所示。当Ux=417V时就需要用4个220V/110V变压器及相应整流滤波组合,此时,恒流源NMOS管承受的最大压降Ud出现在交流输入是上限(即额定电压的107%)、每一节电池电压最低点为2.5V时,其值为:Ud=110×107%×1.3×4-2.5×105=349.5V。
25mA时NMOS管道耗散功率约为9W,需要加散热片。
本模拟器电路通过multisim仿真,结果显示:当调节电位器时,相应模拟电池电压也按要求改变;调整交流输入电压,每节电池模拟电压保持不变,抗电源波动能力较强,仿真效果较好。模拟器电路板如图7所示。

图7模拟器电路板
结语
TL431是一个性价比很高的芯片,应用TL431完成了方案的设计和制作,对于BMS的评价起到了很好的作用。实际制作的模拟器模拟的电池电压输出稳定在0.2mV以内,效果很好。与真实车载电池相比,电压调节极为方便,且体积小、质量轻、成本低廉。